- +02 6129 4385
- info@colombodistribuzionesrl.it
- Offerte del mese Promozione!
- Nuovi arrivi Scopri
-
-
- Giraviti - Inserti
- Chiavi
- Pinze
- Mazzuole e Martelli
- Scalpelli - Ugnetti - Cacciaspine - Bulini
- Altri utensili isolati 1000 V
- Seghe a tazza
- Punte
- Tenaglie - Tagliatubi - Cesoie - Forbici
- Tagliatubi - Curvatubi Manuali
- Tronchesi - Tagliabulloni - Tagliacavi
- Pialle - Seghetti - Segacci
- Strumenti di misurazione
- Manutenzione e finitura
- Serie e Assortimenti
-
-
-
- Home
- Nuovi arrivi
- 35/B - Raccordo INTERMEDIO a "T" - Raccordi rapidi in tecnopolimero - Raccorderia - Ani (Conf. da 10pz) 35/B - Raccordo INTERMEDIO a "T" - Raccordi rapidi in tecnopolimero - Raccorderia - Ani (Conf. da 10pz)
PROMO






35/B - Raccordo INTERMEDIO a "T" - Raccordi rapidi in tecnopolimero - Raccorderia - Ani (Conf. da 10pz)
Codici Sconto
Copia il codice sconto che preferisci e inseriscilo nel campo dedicato al checkout per ottenere subito il vantaggio.
10PRIMOACQUISTO 📋
20SCONTOCD 📋
50SCONTOCD 📋
150SCONTOCD 📋
Condizioni & Informazioni:
1 - Validi solo per acquisti online; 2 - Un solo codice sconto per ordine (i codici non sono cumulabili tra loro); 3 - I codici sconto sono utilizzabili anche su prodotti già in promozione e sono compatibili con la spedizione gratuita.
Nota: Se tutte le condizioni sono rispettate, vedrai il codice applicato direttamente al checkout.
Pagamento dilazionato solo per acquisti online
Se preferisci accettiamo anche bonifico bancario o carte
- Descrizione
- Specifiche
- Caratteristiche
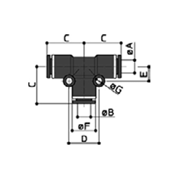
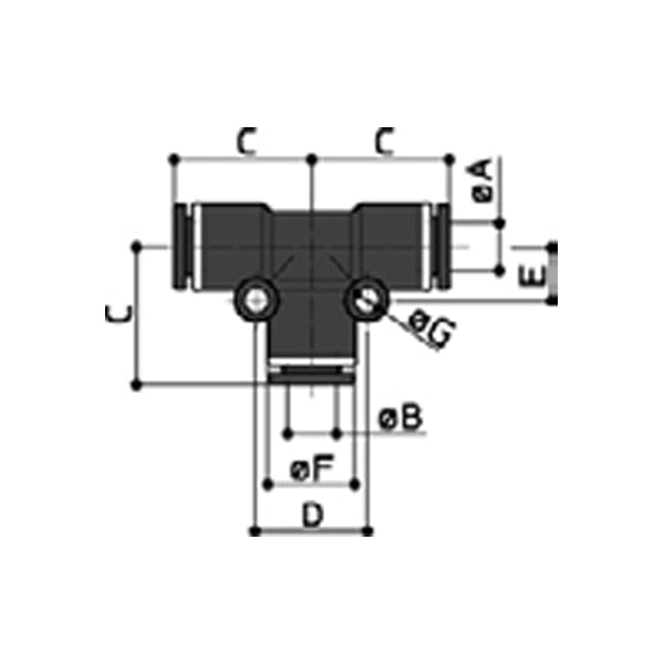
RACCORDO INTERMEDIO A “T”
Serie 35 – Raccordi rapidi in tecnopolimero
35/B - INTERMEDIO |
---|
![]() |
Codice | Mod. | A | B | C | D | E | F | G |
---|---|---|---|---|---|---|---|---|
AH0389201A | 35/B | Ø 4 | Ø 4 | 18.8 | 14 | 8 | 10.7 | 3 |
AH0389202A | 35/B | Ø 6 | Ø 4 | 19 | 14 | 9 | 13.3 | 3 |
AH0389203A | 35/B | Ø 8 | Ø 4 | 22.5 | 16.6 | 10 | 14.5 | 3 |
AH0389204A | 35/B | Ø 6 | Ø 6 | 19 | 16 | 9 | 13.3 | 3 |
AH0389205A | 35/B | Ø 8 | Ø 6 | 22.6 | 16.6 | 10 | 14.5 | 3 |
AH0389206A | 35/B | Ø 10 | Ø 6 | 26.5 | 16.8 | 11 | 18 | 4 |
AH0389207A | 35/B | Ø 8 | Ø 8 | 22.6 | 18 | 10 | 14.5 | 3 |
AH0389208A | 35/B | Ø 10 | Ø 8 | 26.5 | 18.4 | 11 | 18.2 | 4 |
AH0389209A | 35/B | Ø 12 | Ø 8 | 28 | 18.4 | 13 | 19.5 | 4 |
AH0389210A | 35/B | Ø 10 | Ø 10 | 28 | 24 | 11 | 18.2 | 4 |
AH0389211A | 35/B | Ø 12 | Ø 10 | 28.3 | 22.5 | 12 | 20.6 | 4 |
AH0389212A | 35/B | Ø 12 | Ø 12 | 28.3 | 25 | 12 | 20.6 | 4 |
AH0389213A | 35/B | Ø 16 | Ø 12 | 31 | 24.6 | 21 | 25.2 | 5 |
AH0389214A | 35/B | Ø 14 | Ø 14 | 31 | 27 | 15 | 23.6 | 5 |
AH0389215A | 35/B | Ø 16 | Ø 16 | 32.5 | 28 | 22 | 25.2 | 5 |
CAMPI DI IMPIEGO: Circuiti pneumatici, oleodinamici e idraulici.
PRESSIONE D’ESERCIZIO: 10 bar (1 MPa)
TEMPERATURA DI LAVORO: 0°C (273°K) ÷ +60°C (333°K).
TIPI DI TUBO INNESTABILI: RILSAN (PA11/12), POLIURETANO, POLIETILENE, POLIESTERE, PTFE, NYLON (PA6) : ±0,5 (ø 4÷ø10) - ±0,1 (ø12 ÷ ø 16).
MATERIALI IMPIEGATI: Ottone nichelato (EN 12164- CW614N) - Tecnopolimero Nero - NBR - Pinza in acciaio inox.
O-RING/GUARNIZIONI: Guarnizioni in gomma antiolio NBR
FILETTATURA: Gas conica con PTFE - ISO 7 (BSPT) -DIN 2999 - BS 21. Gas cilindrica - ISO 228 (BSPP)